
全国统一服务热线 : 400-958-8668
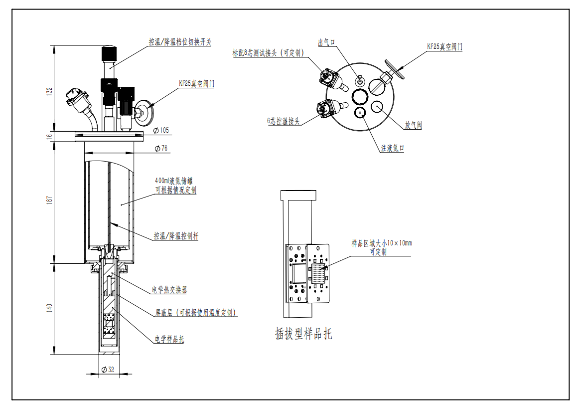
• 样品真空环境,可放置到磁场中使用
• 使用液氮或者液氦制冷
• 可选配多样的电学测试引线:无氧铜漆包线、磷青铜热导率低的低温线、低温同轴线以及低温三同轴线
• 最大可安装30*30mm样品(更大样品接受定制)
• 使用液氮可选减压装置,实现最低温度65K
• 可选配样品座、实现不同样品的测试需求
COPYRIGHT (©) 2018-2026- 蓝海科仪(天津)仪器仪表有限公司 备案:津ICP备2022004091号